參考價格
面議型號
RLY系列燃油(氣)熱風爐品牌
先鋒產地
江蘇樣本
暫無熱風爐分類:
其他工作溫度(℃):
-處理量:
-能耗:
-干燥介質:
其它適用物料:
多種可用操作方式:
其他工作原理:
其他看了RLY系列燃油(氣)熱風爐的用戶又看了
留言詢價
電話詢價
虛擬號將在 180 秒后失效
使用微信掃碼撥號
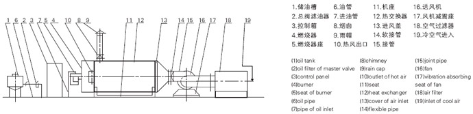
工作原理
?? 燃料通過燃燒器燃燒,產生高溫燃氣。并借助具有強化換熱措施的熱風爐將高溫燃氣的熱量傳導給被加熱的空氣,高溫燃氣經熱量散發后溫度降低至250℃后排到大氣中。需加熱的空氣通過選配的鼓風機強送入熱風爐,吸熱后溫度升至額定值從熱風出口處送出,當熱風溫度達到額定溫度上限時,燃燒器會自動停止燃燒或自動轉為小火焰燃燒,當熱風溫度降低到額定下限溫度時,燃燒器又會重新點燃運行或轉為大火燃燒,升溫的速度可以調節進風閥的開度來實現。

技術規格
| 型號 | 燃燒器型號 | 燃油量kg/h | 供熱量104kcal/h | 外形尺寸L×W×Hmm | 熱風口L×Wmm | 總重kg |
| RLY1 | RIELLO.G3/DL3FS | 1.3-1.6 | 1 | 1200×1200×1600 | Φ200 | 460 |
| RLY4 | RIELLO.G10/DL10FS | 5-6.5 | 4 | 1700×1300×1600 | Φ250 | 850 |
| RLY10 | RIELLO.G20/DL23FS | 13-16 | 10 | 2300×1568×1870 | Φ300 | 2200 |
| RLY20 | RIELLO 1G/DL34FS | 26-32 | 20 | 2800×1568×1870 | Φ400 | 2670 |
| RLY30 | RL50/DL55FT | 39-48 | 30 | 3400×1568×1870 | Φ450 | 3060 |
| RLY40 | RL70/DL75FT | 52-64 | 40 | 4440×1768×2070 | Φ550 | 5600 |
| RLY60 | RL100/DL100FT | 78-96 | 60 | 5140×1868×2070 | Φ600 | 8460 |
| RLY100 | PRESS 4G/DL 120FT | 130-140 | 100 | 6440×2480×2300 | 550×600 | 12800 |
| RLY160 | P300/DL250FT | 200-270 | 160 | 7470×2920×3480 | 750×900 | 15780 |
| RLY200 | P300/DL300FT | 260-300 | 200 | 8175×2920×3480 | 750×900 | 18500 |
| RLY360 | G1510 | 480-620 | 360 | 9300×2920×3480 | 21000 |
暫無數據!
10月27日,先鋒智能迎來了一批由國際知名干燥行業專家組成的專家團蒞臨我司進行深度考察和技術交流。此次訪問,不僅是一次智慧的碰撞,更是一場關于干燥行業未來的前沿對話。01高朋滿座,共赴一場智慧之約金秋
聚焦“十五五”6月5日,中國通用機械工業協會干燥設備分會“十五五”規劃調研組一行蒞臨江蘇先鋒智能科技股份有限公司開展專題調研。雙方圍繞干燥行業技術革新、市場趨勢及“十五五”發展規劃展開深度交流,為行業
近日,江蘇工業和信息化廳正式公示《2025年江蘇省先進級智能工廠名單》,我司先鋒智能憑借卓越的智能制造水平,技術創新能力,成功獲評“江蘇省先進級智能工廠”稱號。這一榮譽不僅是對先鋒智能車間工廠數字化轉
RLY系列燃油(氣)熱風爐的工作原理介紹?
RLY系列燃油(氣)熱風爐的使用方法?
RLY系列燃油(氣)熱風爐多少錢一臺?
RLY系列燃油(氣)熱風爐使用的注意事項
RLY系列燃油(氣)熱風爐的說明書有嗎?
RLY系列燃油(氣)熱風爐的操作規程有嗎?
RLY系列燃油(氣)熱風爐的報價含票含運費嗎?
RLY系列燃油(氣)熱風爐有現貨嗎?
RLY系列燃油(氣)熱風爐包安裝嗎?
手機版: