生產能力:
-加料機類型:
其他空氣速度:
-輸送能力:
-輸送距離:
-工作原理:
其他看了GZ電磁振動給料機的用戶又看了
留言詢價
電話詢價
虛擬號將在 180 秒后失效
使用微信掃碼撥號
產品簡介:
GZ電磁振動給料機是一種新型給料設備,在水泥、礦山、冶金、煤炭、化工、陶瓷、糧食,電力等工礦企業中已被廣泛地應用,它適合把塊狀及粉末狀物料以貯料倉或漏斗中連續均勻或定量地給到受料裝置中去與電子秤或微機配料等設備配套,實現生產自動化*為理想設備,也可以單獨工作送料穩定,不用專人看守和配合各種振動篩作振源的理想設備。
主要特點:
1.由于可以瞬時地改變和啟閉料流,所以給料量有較高的精度。
2.體積小,重量輕,結構簡單,安裝方便,無轉動部件不需潤滑,維修方便,運行費用低。
3.電磁振動給料機由于運用了機械振動學的共振原理,雙質體在低臨界近共振狀態下工作,因而消耗電能少。
4.由于給料槽中的物料在給料過程中連續地被拋起,并按拋物線的軌跡向前進行跳躍運動,因此給料槽的磨損較小。
5.本系列電振機的控制設備采用了可控硅半波整流線路,因此在使用過程中可以通過調節可控硅開放角的辦法方便地無級地調節給料量,并可以實現生產流程的集中控制和自動控制
工作原理:
電磁振動給料機的激振器電磁線圈的電流是經過單相半波整流的,當線圈接通后在正半周內有電流通過,銜鐵與鐵芯之間便產生了一脈沖電磁力互相吸引,這時槽體向后運動,激振器的主彈簧發生變形儲存了一定的勢能,在負半周線圈中無電流通過,電磁力消失,主彈簧釋放能量,使銜鐵和鐵芯朝反方向離槽體向前運動,于是電磁振動給料機以交流電源的頻率作每分鐘3000次的往復振動,由于槽體的底平面與激振力作用線有一定的夾角,因此槽體中的物料沿拋物線的軌跡連續不斷地向前運動。調節整流電壓的高低,即可控制電磁振動給料機的送料量。給料機采用可控硅整流供電。改變可控硅的導通角,即可控制輸出電壓的高低。根據使用條件,可取不同信號來控制可控硅導通角的大小以達到自動定量送料的目的。
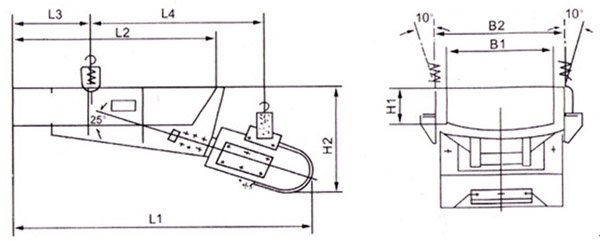
技術參數:
類 | 項目 | 生產率 | 給料 | 雙振 | 供電 | 電流A | 功率 | 配套控制 | 重量 | 外形尺寸(mm ) | |||||||||
參數 | |||||||||||||||||||
型號 | 水平0℃ | -10℃ | 工作電流 | 表示電流 | L1 | L2 | L3 | L4 | H1 | H2 | B1 | B2 | |||||||
基 | GZ0 | 5 | 7 | 50 | 1.75 | 220 | 1.34 | 1 | 0.06 | XK35 | 73 | 900 | 550 | 100 | 600 | 120 | 300 | 240 | 300 |
GZ1 | 10 | 14 | 50 | 3.0 | 2.3 | 0.15 | 145 | 1050 | 710 | 150 | 715 | 165 | 420 | 300 | 380 | ||||
GZ2 | 20 | 35 | 75 | 4.58 | 3.8 | 0.25 | 195 | 1050 | 710 | 150 | 715 | 165 | 420 | 300 | 380 | ||||
GZ3 | 30 | 50 | 85 | 6.8 | 5.5 | 0.35 | 285 | 1220 | 820 | 150 | 850 | 175 | 430 | 340 | 430 | ||||
GZ4 | 50 | 70 | 100 | 8.4 | 7 | 0.45 | 350 | 1450 | 930 | 200 | 1000 | 200 | 600 | 450 | 530 | ||||
GZ5 | 80 | 140 | 150 | 12.7 | 10.6 | 0.65 | 640 | 1700 | 1100 | 255 | 1120 | 255 | 585 | 590 | 695 | ||||
暫無數據!
GZ電磁振動給料機的工作原理介紹?
GZ電磁振動給料機的使用方法?
GZ電磁振動給料機多少錢一臺?
GZ電磁振動給料機使用的注意事項
GZ電磁振動給料機的說明書有嗎?
GZ電磁振動給料機的操作規程有嗎?
GZ電磁振動給料機的報價含票含運費嗎?
GZ電磁振動給料機有現貨嗎?
GZ電磁振動給料機包安裝嗎?
手機版: