中國粉體網訊 近日,山西稷山經濟技術開發區傳來重磅消息:山西金達泰新材料科技有限公司年產6萬噸二氧化硅高活性吸附材料項目主體結構施工已基本完成,設備正陸續進場安裝,一期工程預計年底即可投入運行。

據中國粉體網了解,山西金達泰新材料科技有限公司年產6萬噸二氧化硅高活性吸附材料項目,由山西金達泰新材料科技有限公司投資投資2.4億元建設,主要建設內容包括硅酸鈉生產車間、硅膠生產車間、配酸車間以及配套公輔工程、環保工程。項目達產后將形成年產6萬噸細孔硅膠(A型硅膠)的生產能力。
產品方案一覽表

項目達產后,預計年產值可達3億元,提供200余個就業崗位,更有望推動稷山成為華北地區重要的二氧化硅新材料生產基地。
主要原輔材料用量表

在項目列出的5大類主要原輔材料中,看似普通的石英砂實則扮演著"品質基石"的關鍵角色。根據項目技術標準,所用石英砂必須滿足嚴苛指標:
該項目石英砂質量指標表

行業數據顯示,石英砂的純度與粒度分布直接影響硅膠的吸附性能和球形合格率。該項目對石英砂的嚴格把控,正是保障產品達到優等品標準的核心前提。項目每年需消耗石英砂3.583萬噸,與純堿、硫酸等原料協同作用,支撐起整個生產體系。
工藝解密:兩步法造出高端吸附材料
該項目生產的細孔硅膠(二氧化硅高活性吸附材料)是一種新型納米多孔材料,具有吸附能力強、選擇性高的特點,被廣泛應用于食品提純、藥品分離、工業廢氣處理和化工催化等領域。
該項目產品的主要生產工藝分為兩步:第一步是生產硅酸鈉,硅酸鈉的生產方法包括干法和濕法工藝,干法工藝一般以石英砂和純堿為原料,通過配比進入馬蹄焰爐,在高溫條件下形成熔融狀態硅酸鈉,后經冷卻形成固體產品;濕法工藝以液體苛性鈉和石英砂為原料,按適當比例混合加入壓熱釜內,用蒸汽加熱并進行攪拌,使之直接反應而成液體硅酸鈉,經過濾、濃縮制得成品。該項目硅酸鈉采用干法工藝。

硅酸鈉生產工藝流程圖
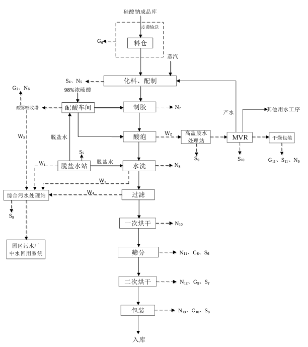
第二步是硅酸鈉(部分自產)和濃硫酸反應生產硅膠。該項目采用空氣造粒技術生產硅膠,其工藝原理為二氧化硅在空氣中由于本身的表面張力而收縮成球形,在酸性介質(pH6-6.7)和受熱情況下極不穩定,因而在極短時間內迅速形成硅凝膠,硅凝膠進一步在酸性環境處理后使其結構得到穩定,后經水洗、烘干等工序后形成產品白色球形硅膠。

硅膠生產工藝流程圖
企業技術人員透露:"這套工藝流程整合了國內同類企業的技術優點,通過自動化生產線控制,既能保障產品品質穩定,又能提升成本控制能力。"
參考來源:運城新聞網;運城日報;稷山經濟技術開發區官網
(中國粉體網編輯整理/九思)
注:圖片非商業用途,存在侵權請告知刪除!

















